- Полуприцеп
- Side Wall Trailer
- складной прицеп
- Interlink Semi Trailer
- дамп трейлер
- остный полуприцеп
- Массовый цементный трейлер
- контейнеровоз
- прицеп-цистерна
- Полуприцеп цистерна LPG
- алюминиевый танкер
- полуприцеп-цистерна
- автоцистерна из нержавеющей стали
- modulartrailer
- Журнал древесины трейлер
- Перевозчик автомобилей Полуприцепс каркасомдля тента
- трейлер лопасти ветра
- Side Curtain Trailer
- Грузовик HOWO
- ПРИЦЕП
- FAW TRUCK
-
Трейлер из Южной Африки
-
Прицеп с боковой решеткой длиной 13,6 м
-
80-тонный 6-осный низкорамный прицеп
-
60-тонный гидравлический низкорамный прицеп
-
Бортовой прицеп со стойкой
SUNSKY VEHICLE, производитель бортовых полуприцепов, обнаружил, что бортовой прицеп со стойками явля...
Положение смазки
1 、 Используйте обычную литиевую смазку.
2 、 Смазывайте поверхность не реже одного раза в месяц.
3 、 Если смазку добавить невозможно, проверьте и установите на место маслозаливную чашку.
ПРЕДПОЛОЖЕНИЕ
Перед началом движения убедитесь, что давление воздуха в шинах в норме. .
Пожалуйста, проверяйте колесные гайки ежедневно.
Пожалуйста, проверяйте колесную базу и крепежные элементы ежемесячно.
Перед началом работы не допускайте чрезмерной или неравномерной нагрузки.
· Периодически смазывайте.
· Техническое обслуживание должно проводиться своевременно.
Уведомление
· Перед тем как соединять тягач и полуприцеп, убедитесь, что они подходят друг к другу.
· Перед подключением проверьте и убедитесь в правильности соединения подающих трубопроводов (красного цвета) и управляющих трубопроводов (желтого цвета).
· После этого проверьте и убедитесь, что все электроды надежно соединены и все осветительные приборы прицепа исправно работают.
Схема подключения к трактору.
· Проверьте и убедитесь, что давление в воздушных резервуарах тягача и полуприцепов находится в пределах нормы и является естественным.
перед началом бега.
ОСТОРОЖНОСТЬ
НЕ выполняйте никаких работ по соединению и резке балок без указаний наших специалистов!
Уведомление
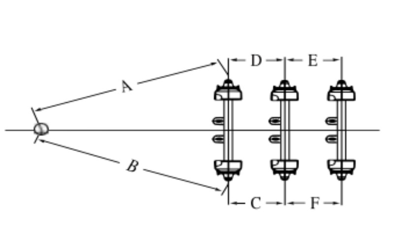
Пожалуйста, проверьте и отрегулируйте зазор между осями в соответствии с изображением через месяц эксплуатации или после достижения пробегом 5000 км.
(А- Б) ≤ 3 мм, (CD) ≤ 2 мм (EF) ≤ 2 мм
ОСТОРОЖНОСТЬ
Гайки U-образных болтов следует затягивать следующими способами:
1. Момент затяжки гаек составляет 680-850 Н·м;
2. После первой транспортировки проверьте и убедитесь, что гайки затянуты;
3. Проверяйте и следите за тем, чтобы гайки были затянуты ежемесячно или каждые 10 000 километров (в зависимости от того, что наступит раньше);
4. То же самое, что и выше, при каждой замене гайки.
Важное уведомление!
Верхняя тяговая штанга является важным компонентом самосвального прицепа. В случае ее утери или повреждения необходимо немедленно остановить транспортное средство и своевременно отремонтировать верхнюю тяговую штангу. В противном случае это может привести к повреждению или растрескиванию кузова фургона. Пожалуйста, уделите ей достаточно внимания. Если верхняя тяговая штанга крепится болтами, рекомендуется приварить ее к боковой панели рядом с задним бортом.
БЕЗОПАСНЫЕ ЧАЕВЫЕ!
1. Этот цилиндр является исключительно подъемным устройством и не должен использоваться в качестве несущего элемента;
2. Максимальная продолжительность процесса составляет 0,5 часа (за исключением этапов твердого хромирования);
3. После полного опускания кузова удерживайте положение около 30 секунд, прежде чем перевести рычаг управления опрокидывателем из положения «опускание» в положение «нейтральное»;
4. Не используйте аварийный тормоз во время разгрузки, при остановке гидравлической системы отключайте ВОМ:
5. Не используйте задний ход во время разгрузки, иначе насос будет поврежден.
Никогда не заходите под поднятое тело, если оно не подперто надёжно закреплено.
1 . задняя дверь выпущен до чаевых
2. Перед началом движения убедитесь, что задняя дверь надежно закрыта.
Предупреждение
Для обеспечения безопасности и надежности вашего самосвального прицепа обязательно соблюдайте следующие технические требования:
Чтобы сделать все возможное, плюс sar и plus fiable, гарантируйте соблюдение всех директив по использованию:
Масляный цилиндр самосвального прицепа можно использовать только для подъемного устройства. Не используйте его в качестве части опорной конструкции. Гидравлический цилиндр не может использоваться как подъемное устройство, а не как опорная конструкция.
Не перегружайте и следите за тем, чтобы нагрузка равномерно распределялась по ширине кузова и спереди назад.
Всегда следите за тем, чтобы транспортные средства находились на твердом уровне вокруг обеих боковых волн и спереди назад. Убедитесь, что транспортное средство остается ровным. Не опрокидывайте лицом вверх или вниз по склону.
Сочлененные транспортные средства всегда следует опрокидывать с прицепом, расположенным вдоль тягача.
Никогда не используйте резкое торможение для разгрузки. В противном случае прицеп, гидравлический цилиндр или другие компоненты могут быть серьезно повреждены.
N'utilisez jamais de Freins Rapid для разрядки, замены, бензина, гидравлических жидкостей или вспомогательных гидравлических средств для глубокой эндотомии
Не используйте задний ход при разгрузке. Обратное вращение устройства для подъема груза и масляного насоса повредит сальник насоса.
Не используйте марш до места разгрузки, обратное вращение призового места и помпы, чтобы можно было облегчить работу сустава во время работы.
Убедитесь, что частота вращения двигателя не превышает 1500 об/мин (оборотов в минуту). Прежде чем цилиндр достигнет конца хода, уменьшите обороты двигателя до неподвижного. Режим двигателя не переходит на 1500 об/мин (об/минуту). Уменьшите режим двигателя, чтобы уровень цилиндров не приближался к максимальному курсу.
Когда кузов опущен и во время трогания с места, подождите около 1 минуты, прежде чем переключить управление самосвалом из положения «опускание» в «нейтральное». Затем отсоедините ВОМ (отбор мощности). 《 баз 》 а ля позиция 《 аррет 》 .Ensuite,séparez la PTO.
Когда объем превышает 30 м³ ³ или длина более 10 метров, для разгрузки требуется 2-3 раза. Прицеп не следует перемещать до тех пор, пока кузов не упадет в фиксированное положение. Никогда не перемещайте опрокидывающийся прицеп! avancer le benne.Ne déplacez pas la benne quand il monte.
Не находитесь в рабочей зоне рабочего органа. При работе под кузовом он должен быть надежно подперт. Не оставайтесь в зоне перемещения во время операции разгрузки;
Уведомление для водителей
После первой загрузки проверьте затяжку колесных гаек динамометрическим ключом (такую же проверку следует проводить после каждой замены шины).
Через несколько недель после начала эксплуатации болты и гайки колес, гайки вала балансирной балки, гайки вала шатуна, гайки U-образных болтов и болты и гайки балок рессор следует затянуть с указанным моментом затяжки.
Перед каждой эксплуатацией автомобиля проверяйте давление в шинах. Необходимо проверить затяжку основных болтов и гаек колес и системы подвески. Проверьте, не повреждены ли рессоры. .
ИНСТРУКЦИИ ПО ТЕХНИЧЕСКОМУ ОБСЛУЖИВАНИЮ
Рессоры, болты ступиц, регулировочные рычаги, пылезащитные кожухи, тормозные колодки, тяги, различные втулки и болты, гайки, стальные втулки, сальники и все уплотнительные и резиновые детали и т. д. являются расходными и уязвимыми деталями и не покрываются защитным слоем.
В условиях суровых дорожных условий в горнодобывающей промышленности или на бездорожье срок службы уязвимых деталей, упомянутых в пункте 1, значительно сокращается, и требуется дополнительный износ. Частота капитальной замены составляет
Необходимо своевременно смазывать такие детали, как ось, подвеска и опоры цилиндров. Рекомендуется смазывать оси и опоры цилиндров не реже одного раза в неделю. Система подвески (включая рессоры) должна
В условиях суровых дорожных условий в горнодобывающей промышленности или вне дорог общего пользования срок службы осей, подвески и рессор значительно сокращается. Обратите внимание: заранее запаситесь достаточным количеством запчастей, чтобы своевременно их заменить.
Пожалуйста, незамедлительно промойте релейный клапан и другие компоненты пневматической системы, чтобы предотвратить чрезмерное скопление пыли.





